亚洲激情综合小说,久久国产免费观看精品3,暗欲未删减电影完整版观看,保镖电影完整版在线观看,成年在线电影网站,恐怖农场在线完整版观看未删减下载电影,99玖玖视频

Hubei Dayu Hanguang Vacuum Electric Co.,Ltd.
CN EN

Embedded Poles

Model:EEP-12/1600-40A

Category:Embedded poles


Product details

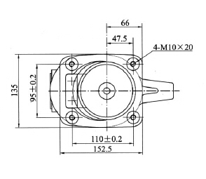
HEP2-12 1250-40A 12 1600-40A.jpg

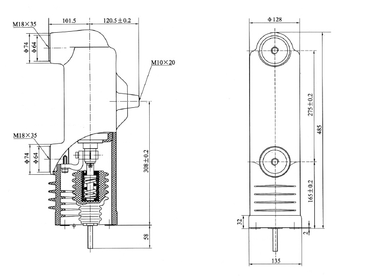
HEP2-12 1250-40A 12 1600-40A-2.jpg

Specifications of Embedded Pole

Main Technical SpecificationUnitSpecification
16001250
Rated voltagekV12
Rated currentA16001250
Rated frequencyHZ50/60
Short time power frequency withstand voltage(1min)kV48
Lightning impulse withstand voltagekV95
Rated short circuit breaking currentkA4031.54031.5
Rated peak withstand currentkA1008010080
Rated short circuit making currentkA1008010080
Rated short time withstand currentkA4031.54031.5
Rated duration of short circuitS4
Rated breaking current of single capacitor bankA400
Rated breaking current of back to back capacitor bankA400
Rated operating sequenceO-0.3s-CO180s-CO
Breaking operations of rated short circuit breaking currentTimes30
Rated mechanical enduranceTimes30000
Closing force due to bellow and atmosphereN140±50
Force required to hold contacts open at full strokeN220±50
Circuit resistance at lower limit of rated contact force≤25
Contacts limit erosionmm3
Gas pressure inside vacuum interrupterPa≤1x10?3
Localize dischargePc≤5

Mechanical Data Required for the Matched Vacuum Switchgear

Main Technical SpecificationUnitSpecification
16001250
Clearance between open contactsmm9±1
Average opening speedm/s1.20±0.2
Average closing speedm/s0.6±0.2
Rated of contact forceN4250±2503150±2004250±2503150±200
Contact bouncing duration at closing operationms≤3
Out of simultaneity of contact closing and openingms≤2
Maximum rebound during openingmm≤2

Prev archive:Embedded Poles

Next archive:Embedded Poles

Relevant information