亚洲激情综合小说,久久国产免费观看精品3,暗欲未删减电影完整版观看,保镖电影完整版在线观看,成年在线电影网站,恐怖农场在线完整版观看未删减下载电影,99玖玖视频

Hubei Dayu Hanguang Vacuum Electric Co.,Ltd.
CN EN

Embedded Poles

Product details

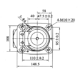
HEP-12 1250-25A 12 630-25A.jpg

HEP-12 1250-25A 12 630-25A-2.jpg

Main Technical Parameter
Rated voltage12kV
Rated current630/1250A
Rated frequency50Hz
Rated short-time Power frequency withstand voltage48kV
Rated lightning impulse withstand voltage85kV
Rated short-circuit breaking current25kA
Rated short-circuit making current(peak)63kA
Breaking operations of rated short circuit breaking current30 times
Rated breaking current of single capacitor bank630A
Rated short-time withstand current25kA
Rated peak withstand current63kA
Rated duration of short-circuit4 s
Mechanical endurance10000 times
Closing force due to bellow and atmosphere140±50N
Force required to hold contacts open at full storke230±50N
Circuit resistance at lowest rated contact force≤25μ?
Contacts limit erosion3mm
MECHANICAL DATA REQUIRED FOR THE MATCHED VACUUM SWITCHGEAR
Clearance between open contacts11±1 mm
Average opening speed1.2±0.2m/s
Average closing speed0.6±0.2m/s
Rated added extemal contact final force2500±200N
Contact bouncing duration at closing operation≤2 ms
Closing and opening non-simultaneity of three-phase contacts≤2 mm

Prev archive:Embedded Poles

Next archive:Embedded Poles

Relevant information